センサ
天井埋込センサ器具(人感センサ)

デジタル信号調光調色制御器に接続し、ユーザーの在・不在を検知した高機能な制御が実現。
天井埋込センサ器具(人感センサ)
DL-YS003(特注品)
製品データダウンロード
※必ず工事説明書および取扱説明書をよくお読みの上、正しくお使い下さい。
概略仕様
仕様
| 接続適合器具 | デジタル制御電源搭載の照明器具へ接続 | |
|---|---|---|
| 本体 | 樹脂、ホワイト | |
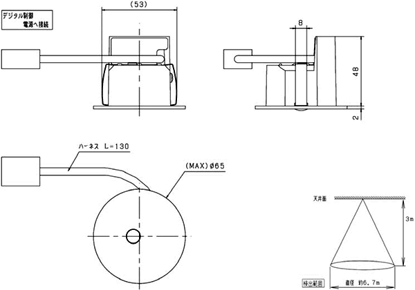
| サイズ | Φ65mm、高50mm | |
| 埋込穴 | Φ50mm | |
| 質量 | 約50g | |
| 定格電圧 | DC5V | |
| 定格消費電力 | 0.013W | |
| 検出範囲 | Φ約6.7M @高さ3M | |
| ハーネス長 | 130mm | |
| 設置材の厚さ | ボード:5~25mm、鋼板:t0.6 | |
| 備考 | 断熱施工不可、バネ取付方式 本機器はデジタル制御電源専用機器です。 使用には、別途デジタル制御電源搭載の照明器具が必要です。 |
|







